Abstrakt
Močan sodný je méně častou složkou močových konkrementů. Obvykle se vyskytuje jako příměs kamenů z kyseliny močové a whewellitu. Může tvořit také samostatné kameny. Krystaly tvoří stébelnaté radiálně paprsčité agregáty. Kaménky mají bílou barvu, jsou obvykle drobné, měkké a porézní s geometrickým středem.
Terminologie
Urát sodný-monohydrát NaC5H3N4O3.H2O, zkratka MS
Synonyma
Močan sodný, nátriumurát
Klasifikační kódy
nenalezeno
Odkazy na jiné relevantní dokumenty, další informace
Typy konkrementů
Chemická a fyzikální charakteristika, struktura a povaha analytu
NaC5H3N4O3.H2O
Mol. hmotnost: 190,09
Nejsilnější difrakční linie: D = 4,52(8), 3,18(10); 3,12(9); 2,67(7)
Hustota: nenalezeno
Tvrdost: Krystalový systém: monoklinický nebo triklinický
Prostorová grupa: nenalezeno
Mřížkové parametry: nenalezeno
Optické vlastnosti: n(a) = 1,448; n(b) = 1,750; n(g)> 1,840; D > 0,392; dvojosý, pozitivní
Štěpnost: výborná ve dvou směrech, v jednom nedokonalá. Po rozdrcení jsou v mikroskopu patrné kosočtvercové fragmenty s vnitřním úhlem asi 65 stupňů. Zhášení je paralelní s jedním směrem štěpnosti. Makroskopický vzhled: močan sodný vytváří jehlicovité nebo lištovité krystaly, které srůstají do radiálně paprsčitých agregátů. Může být bílý, žlutobílý nebo krémově bílý. Lesk je hedvábný.
Tabulka píků procedury ASIR
|
Vlnočet (1/cm) |
|
Transmitance (%) |
|
|
|
|
|
3587 |
|
50,6 |
|
3033 |
|
22,1 |
|
2915 |
|
24,9 |
|
2599 |
|
61,0 |
|
2566 |
|
64,7 |
|
2554 |
|
65,6 |
|
2542 |
|
66,5 |
|
2530 |
|
67,4 |
|
2478 |
|
66,4 |
|
2050 |
|
89,1 |
|
1734 |
|
21,1 |
|
1658 |
|
03,3 |
|
1609 |
|
12,7 |
|
1528 |
|
32,1 |
|
1427 |
|
34,0 |
|
1382 |
|
20,5 |
|
1345 |
|
30,3 |
|
1257 |
|
46,7 |
|
1133 |
|
59,8 |
|
1002 |
|
40,3 |
|
0884 |
|
52,3 |
|
0797 |
|
31,8 |
|
0769 |
|
31,6 |
|
0742 |
|
43,7 |
|
0721 |
|
36,6 |
|
0655 |
|
62,6 |
|
0624 |
|
62,8 |
|
0597 |
|
37,9 |
|
0527 |
|
39,0 |
|
0492 |
|
38,7 |
|
0402 |
|
46,1 |
Důležité části spektra
Spektrum je výsledkem multivariačních interakcí skupin OH, CH,NH, a CO a jejich kombinací. V oblasti kolem a nad 3000 cm-1 se spojují valenční vibrace CH, NH a OH do širokého pásu, s ramenem, které není příliš charakteristické. Pás při 3590 patří krystalové vodě. V oblasti vibrací skupiny CO je typický rozšířený pás při 1700, s ramenem při 1736. U nižších vlnočtů je pro identifikační účely důležitá přesná pozice píků a jejich intenzita. Specifické jsou čtyři píky mezi 833 a 722.
Výskyt a četnost
Vyskytuje se asi v 0,02 % močových konkrementů. U psů se vyskytuje v 0,2 %, většinou jako příměs u kamenů z močanu amonného, u koček není popisován. Krystaly močanu sodného se v močovém sedimentu objevují zřídka.
Typy konkrementů
I. Monominerální kameny (až 3 mm) jsou tvořené štětičkou jemných bílých radiálně uspořádaných jehlicovitých krystalů s hedvábným leskem a geometrickým středem. Na rozdíl ad brushitu je velmi měkký a významně se liší v optických charakteristikách.
II. Typický agregát krystalů MS se vyskytuje někdy na dně papilární jamky u kamenů z whewellitu vzniklých na ledvinné papile.
III. Často se objevuje v poréznějších kamenech z KM nebo v paragenezi s KM a WH, kde jeho bílé jehlicovité agregáty vyplňují dutinky, zvláště na styku vrstev KM a WH.
IV. Tvoří centrálně umístěná jádra kamenů z KM nebo WH
V. V psích konkrementech se vyskytuje spolu s močanem amonným a draselným. Buď ve formě písku nebo tvoří tvrdé houževnaté kameny, kulovitého tvaru. Většinou jsou lesklé zbarvené zeleně až žlutobíle. Mohou mít také vzhled golfového míčku. Jádro může být vícečetné.
Klinické souvislosti a faktory vzniku
Kameny vznikají ve slabě kyselé moči (pH nad 6,5) za současné hyperurikosurie. Přispívá také stáza moče. Různé druhy urátů se mohou také vyskytovat u alkalizační terapie kamenů z KM. Rozpustnost ve vodě při 37 °C roste od kyseliny močové (0,0064 %) přes močan amonný (0,0541 %), močan sodný (0,1408 %) k močanu draselnému (0,2487 %).
Galerie obrázků

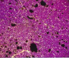
Drobné jehličkovité krystaly močanu
sodného v polarizačním mikroskopu, zrnkový preparát,
zvětšeno 360x

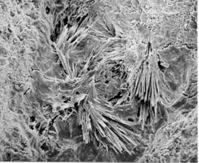
Stébelnaté agregáty močanu sodného,
které se nalézají v krystalizačním jádru whewellitového
kamene. Jádro leží na povrchu v papilární jamce, elektronový mikroskop,
zvětšeno 55x

Detail z předchozího obrázku,
zvětšeno 150x

Kulovitý agregát krystalů z močanu
sodného, elektronový mikroskop,
zvětšeno 180x

Detail z předchozího obrázku,
zvětšeno 550x

Tabulkovitý habitus krystalů močanu
sodného,
zvětšeno 1000x
Autorské poznámky
Tamara Bulková